As home networks have entered the era of ultra-high speed and WiFi technology has rapidly advanced, the latest WiFi 7 technology has now increased network bandwidth from 1G to over 10G, meeting users' demands for high-performance networks. However, in the mainstream home router market, considering factors such as design maturity and cost-effectiveness, WiFi 6 products still dominate the market.
The IRG600L module is designed by Quectel based on MTK's main control, and when paired with Vanchip's WIFI6 FEM, it enables the easy design of cost-effective products that meet market demands. It is suitable for applications such as operator gateways, enterprise access points, home routers, and Mesh nodes.
1. The 2.4G amplifier uses VC5337-31, and the 5G amplifier uses VC5788-21. It supports dual-band dual-channel 802.11ax and MU-MIMO, with two spatial stream technology. The 2.4G band offers a maximum access rate of 574Mbps, while the 5G band provides a maximum access rate of 1201Mbps. The entire device delivers a total access rate of 1.775Gbps, ensuring gigabit-speed wireless performance that eliminates bottlenecks.
2. The device supports both AP and router modes, allowing multiple APs to form a wireless network or a single unit to function as a standalone wireless router. The device offers more flexible configuration, richer application features, and broader applicability across various scenarios.
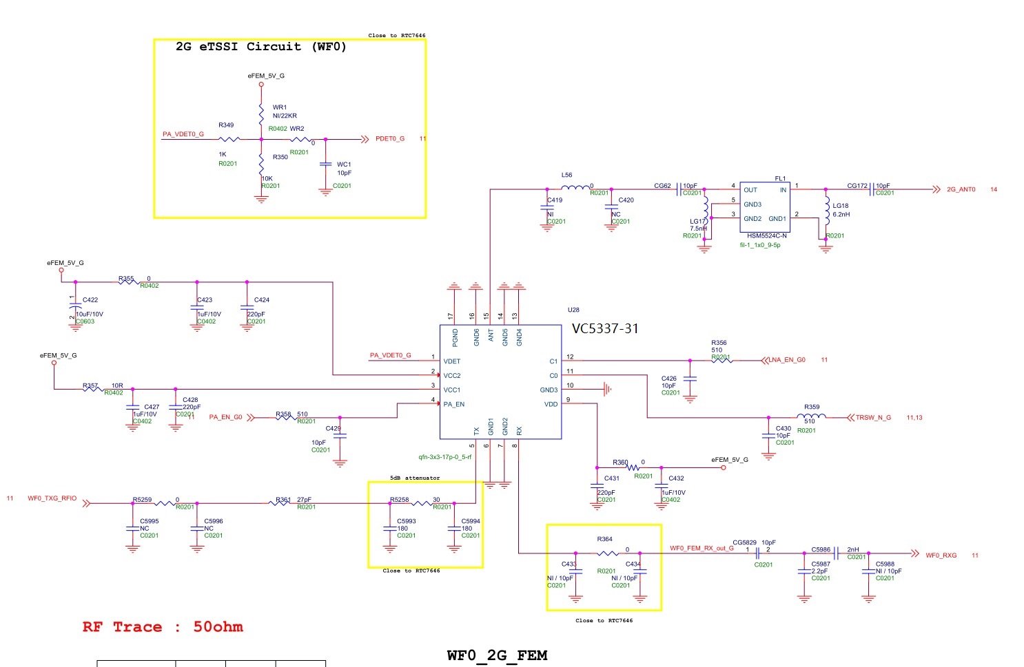
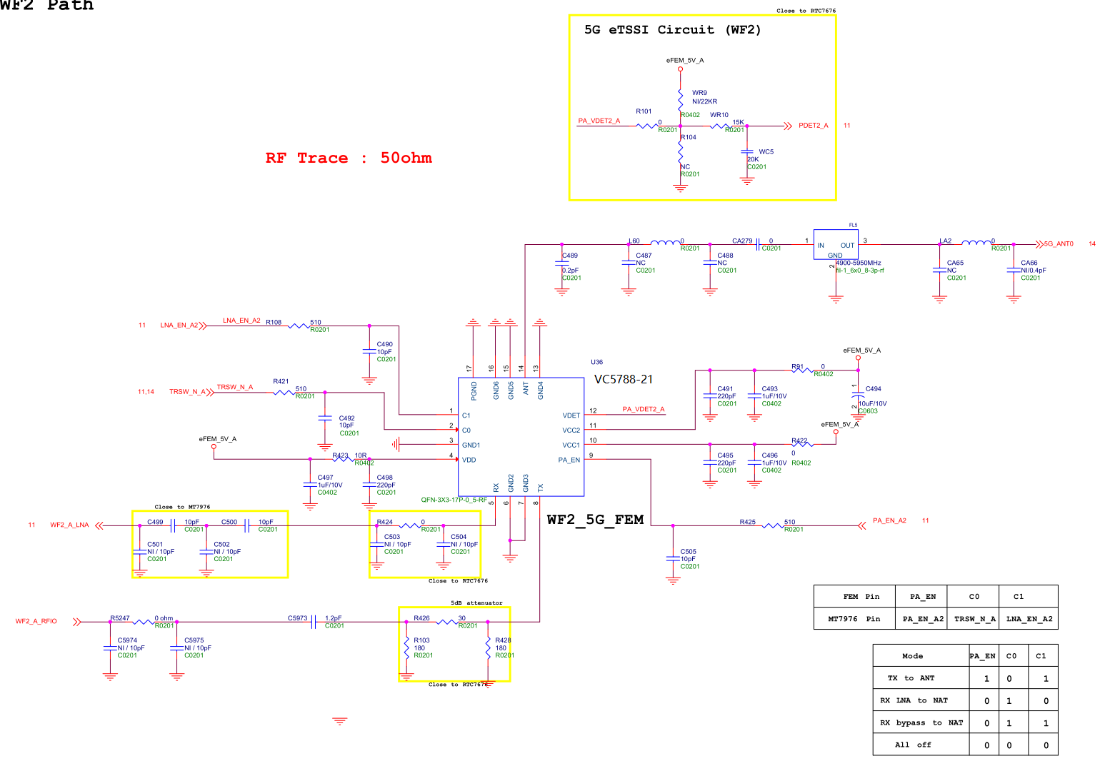
3. Amplifier FEM schematic design section:
2.4G section:

5G section:

4. TX performance reference for VC5337-31:

TX performance reference for VC5788-21:

5. PCBA passive load pull debugging reference:
VC5337-31 Actual Debugging Reference:

VC5788-21 Actual Debugging Reference:

6. FAQ section:
1. Q: Is debugging passive matching for 2.4G difficult?
A: Actually, debugging 2.4G passive systems is relatively simple since the bandwidth is not large.
2. Q: What is the maximum output power of the AX80 in VC5788-21?
A: Under AX80_MCS11, VC5788-21 can achieve approximately 21.5dBm at EVM -40dB DEVM.
3. Q: What applications is this 5G amplifier suitable for?
A: For example, wireless access points, PC cards, gateways, IoT devices, customer terminal equipment, etc., are all possible.
4. Q: Is the debugging convergence of 5G best when it is exactly at 50R?
A: Not necessarily. Generally, it is based on the load-pull data provided by the original manufacturer as a reference, and slight adjustments may be made depending on the customer's output power and EVM.
5. Q: What is the TX amplification factor of VC5788-21?
A: Under 5V power supply and at a temperature of 25°, the typical gain of TX is 31dB.
►场景应用图

►产品实体图

►展示板照片

►方案方块图

►核心技术优势
1. Supports 802.11a/b/g/n/ac Wave1/Wave2/ax protocols; 2. Supports IEEE 802.11ax, IEEE 802.11ac wave2, wave1, and 802.11a/b/g/n simultaneous operation; 3. IEEE 802.11b/g/n/ax: 2.4 GHz–2.4835 GHz; IEEE 802.11a/n/ac/ax: 5.150 GHz–5.350 GHz, 5.725 GHz–5.850 GHz; 4. 2.4 GHz, 2 streams, 2×2 MU-MIMO; 5 GHz, 2 streams, 2×2 MU-MIMO; 5. OFDM: BPSK@6/9Mbps, QPSK@12/18Mbps, 16QAM@24Mbps, 64QAM@48/54Mbps; DSSS: DBPSK@1Mbps, DQPSK@2Mbps, and CCK@5.5/11Mbps; MIMO-OFDM: BPSK, QPSK, 16QAM, 64QAM, 256QAM, and 1024QAM.
►方案规格
1. The maximum access rate of the device is 1775Mbps, dual-band gigabit; 2. Supports both AP and router working modes, layer 2 roaming, integrated networking, and APP management; 3. Supports PoE power supply and local power supply; 4. Supports PSK authentication method; 5. Supports WPA (TKIP), WPA2 (AES), and WPA-PSK data encryption; 6. Supports static blacklist and static whitelist; 7. Supports static IP address, DHCP dynamic acquisition, and PPPoE dialing; 8. Platform automatic RF adjustment.
